Kursy walut NBP: USD 3,98 | EUR 4,32 | CHF 4,53 |

Jesteśmy członkiem:           

Wyszukiwarka
Notes
Zgłoś ofertę
Kalkulator
zgłoś ofertę
Mieszkania
Domy
Działki
Lokale
Obiekty
Szczegóły oferty
Rodzaj oferty
mieszkanie ( sprzedaż )
Numer oferty
389109
Miejscowość
SZCZECIN, POGODNO
Ulica
al. Wojska Polskiego
Cena
289 000 PLN kalkulator
Cena za mkw
3 321,84 PLN mkw
Powierzchnia
87.00 m2
Liczba pokoi
4
Piętro
-1
Liczba pięter
2
Stan mieszkania
do kapitalnego remontu
Rok budowy
1920
Opis
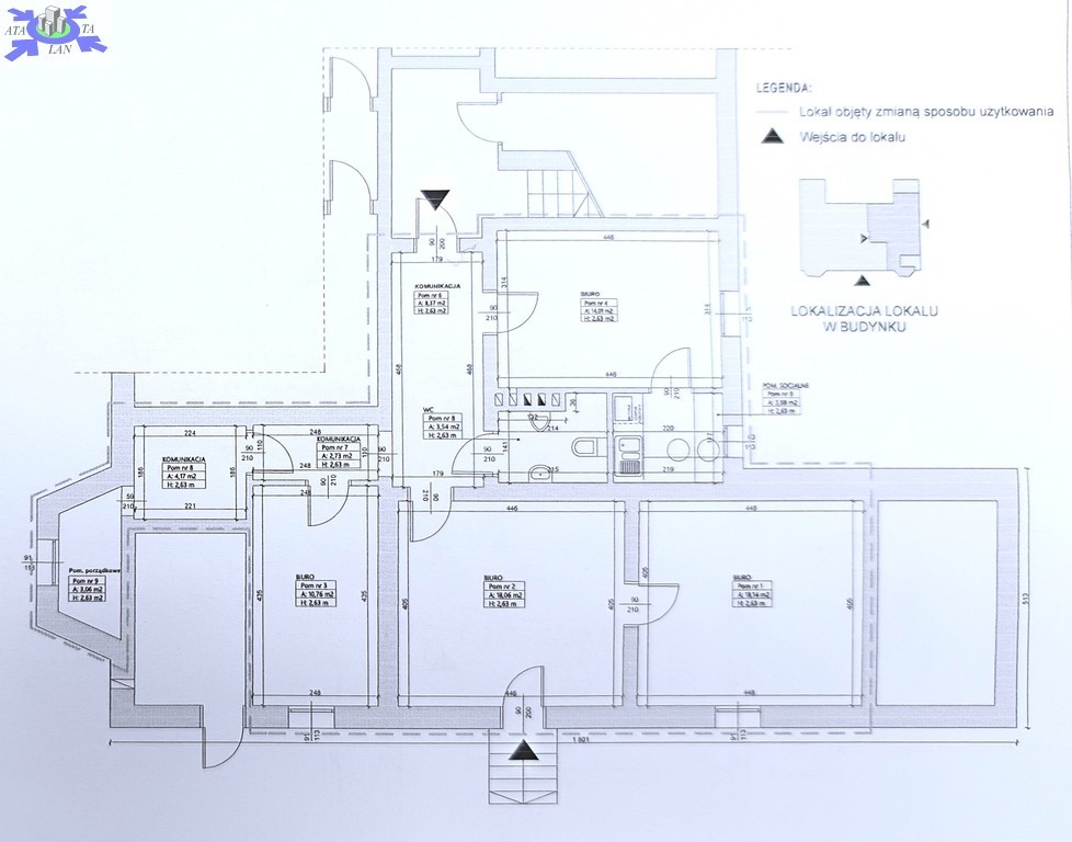
Na sprzedaż duży lokal niemieszkalny z ogródkiem na Pogodnie w świetnej lokalizacji blisko parku.

Projekt lokalu zakłada wykonanie w nim 4 pokoi, łazienki i kuchni. Obecnie wszystkie pomieszczenia są w standardzie do kapitalnego remontu. Nieruchomość znajduje się w przyziemiu, tzw. suteryna, jednak okna są ponad poziomem ziemi. Opis w księdze wieczystej jako lokal niemieszkalny. Dostępne wszystkie media. Do nieruchomości przynależy ogródek. Całość opisana w KW jako lokal niemieszkalny, lokal użytkowy. Nieruchomość do kompletnego kapitalnego remontu. Zdjęcie przedstawia proponowaną przez właściciela aranżację.


Zapraszam na prezentacje.

Dodatkowe informacje: internet

Kontakt do agenta

Atalanta Nieruchomości
Marii Konopnickiej 32
71-132 Szczecin
tel.: 914875042
email: info@atalanta.szczecin.pl
fax: 914875031

Wyślij zapytanie

Imię i Nazwisko
Telefon
E-mail
Treść zapytania

Wyrażam zgodę na przetwarzanie moich danych osobowych przez firmę dla celów związanych z działalnością pośrednictwa w obrocie nieruchomościami, jednocześnie potwierdzam, iż zostałem poinformowany o tym, iż będę posiadać dostęp do treści swoich danych do ich edycji lub usunięcia.

Wyślij ofertę

E-mail
© 2025 Atalanta Nieruchomości. Wszystkie prawa zastrzeżone.